SSR אמין , מהיר תגובה, ועומד בזרמים יחסית גבוהים .
מיועד להשמה בלוח הלחמה PCB
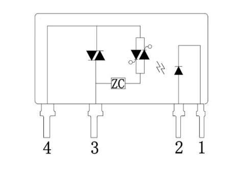
מפרט ונתונים:
- דגם: PMC20A3000
- מתח בקרה: 3V- 32V DC – פינים 3,4
- מתח מעבר: עד 24V~380V AC – פינים 1,2
- זרם מירבי: עד 20A
- סוג טריגר: Zero-Crossing
- מגיע עם צלעות קירור להידוק עם בורג
- לא מגיע עם נגד מובנה בכניסה ולכן יש לשלב נגד להגבלת הזרם בכניסה בערך המותאם למתח הכניסה במיתוג – ראו תמונה
- למתח מיתוג של 5V : נגד 330Ω
- למתח מיתוג של 12V : נגד 0.8K – 1KΩ
- למתח מיתוג של 24V : נגד 1.5K – 2KΩ









